UHV Leakvalve Manually Operated

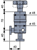
Manual valve

Valve with CF-16 flanges

Manual valve

Vernier attachment

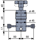
Manual valve

Valve with VCR flanges

In the manual version of the valve the gasflow is adjusted by a handwheel. The stroke from the open to the closed position is divided into ten turns of the handwheel. The axial stroke is 10mm, the maximum closing torque is 5 Nm.

The handwheel is made of protected steel. It can be dismantled during baking out.

For more information email carl@crc-technology.com

Manual valve

Valve with CF-16 flanges

Manual valve

Valve with CF16/CF35 flanges

Manual valve

Valve with VCR flanges

Stroke: Number of turns of the handwheel   10 turns
Axial Stroke10mm
Handwheel Material304 (1.4301)
Max. Closing Torque5Nm